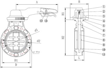
Válvulas de mariposa operadas por palanca, disponibles de 1″ a 14″, en materiales PVC, PP, y PVDF ultrapuro. Ofrece una excelente versatilidad en procesos químicos, tratamiento de aguas, minería, etc.
Valve Size
-
Actuation
-
Body Material
-
Seat & Seal Material
-
End connections
-
Standards and Testing
-